
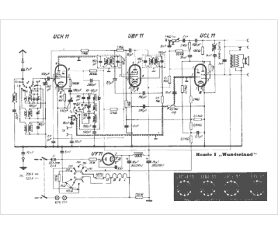
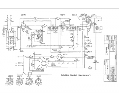
Marque :
Rondo
Modèle :
Wunderland
Type appareil :
récepteur à tubes
Pays d'origine :
Allemagne
