
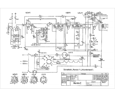
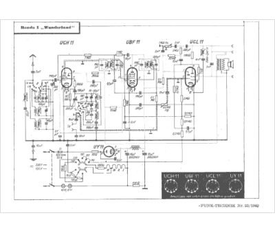
Marque :
Rondo
Modèle :
Rondo 1 Wunderland
Type appareil :
récepteur à tubes
Pays d'origine :
Allemagne
