
Marque :
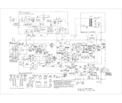
Robotron
Modèle :
Strelasund RR 1022
Type appareil :
récepteur à tubes
Pays d'origine :
Allemagne
