
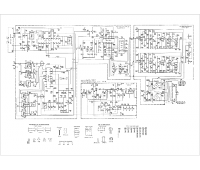
Marque :
Robotron
Modèle :
SR 2400
Type appareil :
récepteur à tubes
Pays d'origine :
Allemagne
