
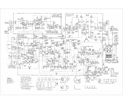
Marque :
Robotron
Modèle :
Radeberg 74
Type appareil :
récepteur à tubes
Pays d'origine :
Allemagne
