
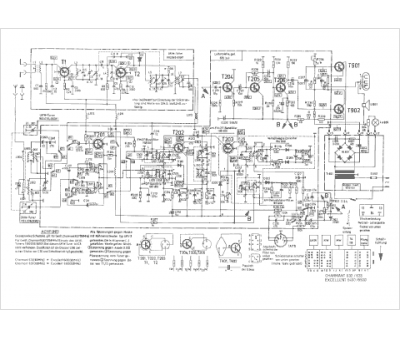
Marque :
Robotron
Modèle :
Excellent 6490
Type appareil :
récepteur à tubes
Pays d'origine :
Allemagne
