
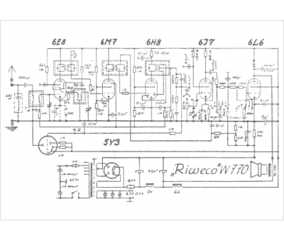
Marque :
Riweco
Modèle :
W 770
Type appareil :
récepteur à tubes
Pays d'origine :
Allemagne
