
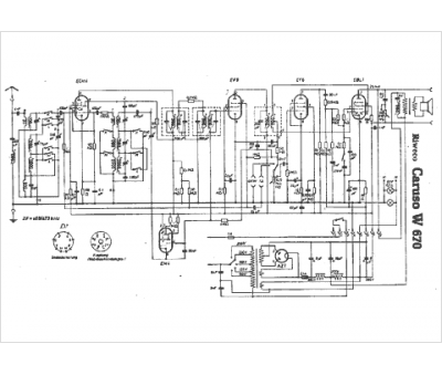
Marque :
Riweco
Modèle :
Caruso W 670
Type appareil :
récepteur à tubes
Pays d'origine :
Allemagne
