
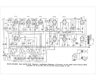
Marque :
Ricordi
Modèle :
AM-FM 10 50
Type appareil :
récepteur à tubes
Pays d'origine :
Italie
