
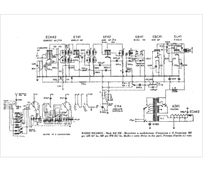
Marque :
Ricordi
Modèle :
851 FM
Type appareil :
récepteur à tubes
Pays d'origine :
Italie
