
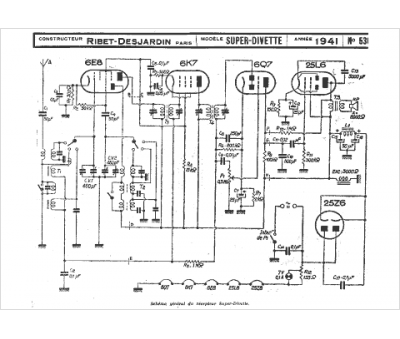
Marque :
Ribet & Desjardins
Modèle :
Super Divette
Type appareil :
récepteur à tubes
Année :
1941
