Retour à l'accueil
 
 
Recherche de schémas
Collection CD/DVD

Service schémathèque 

1 document correspond à votre recherche.

Caractéristiques de l'appareil
Marque :
Ribet & Desjardins
Modèle :
267B
Type appareil :
oscilloscope
1 document correspondant à cet appareil
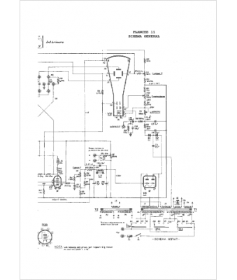
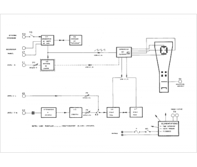
Notice Ribet & Desjardins 267B, OS 5A
15 pages.
Document présent dans Rétro-docs 6 Acheter
En ligne, disponible en téléchargement Télécharger
La consultation de cet espace schémathèque est en accès libre.