
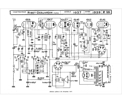
Marque :
Ribet & Desjardins
Modèle :
1027
Type appareil :
récepteur à tubes
Année :
1939
