
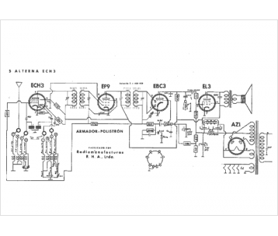
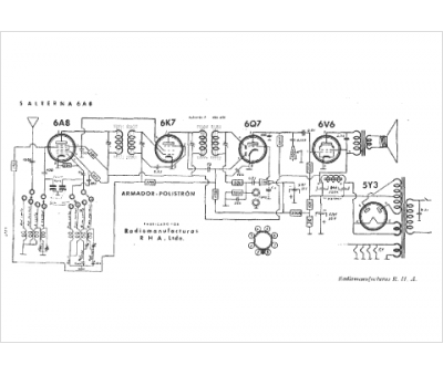
Marque :
RHA
Modèle :
Armador Polistron
Type appareil :
récepteur à tubes
Pays d'origine :
Espagne
