
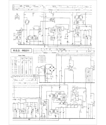
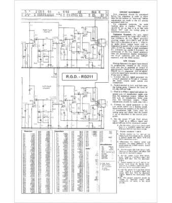
Marque :
RGD
Modèle :
RG 211
Type appareil :
récepteur à tubes
Pays d'origine :
Grande-Bretagne
