
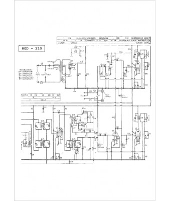
Marque :
RGD
Modèle :
210
Type appareil :
récepteur à tubes
Pays d'origine :
Grande-Bretagne
