
Marque :
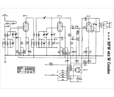
RFW
Modèle :
RFW 402 Condor
Type appareil :
récepteur à tubes
Pays d'origine :
Allemagne
