
Marque :
RFT Stern-Radio Staßfurt VEB
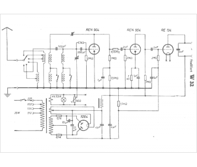
Modèle :
W 32
Type appareil :
récepteur à tubes
Pays d'origine :
Hongrie, Allemagne
