
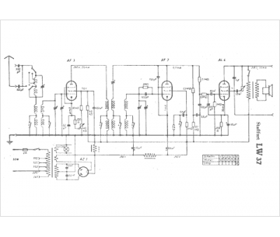
Marque :
RFT Stern-Radio Staßfurt VEB
Modèle :
LW 37
Type appareil :
récepteur à tubes
Pays d'origine :
Hongrie, Allemagne
