
Marque :
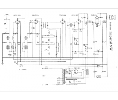
RFT Stern-Radio Staßfurt VEB
Modèle :
Imperial 5 W
Type appareil :
récepteur à tubes
Pays d'origine :
Hongrie, Allemagne
