
Marque :
RFT Stern-Radio Staßfurt VEB
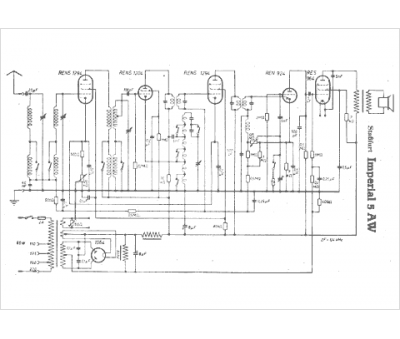
Modèle :
Imperial 5 AW
Type appareil :
récepteur à tubes
Pays d'origine :
Hongrie, Allemagne
