
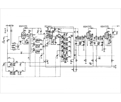
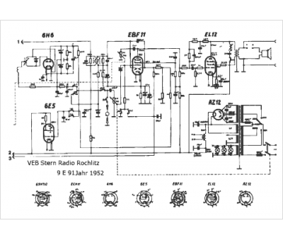
Marque :
															RFT Stern-Radio Rochlitz VEB																																															
														Modèle :
																9E 91																																	
															Type appareil :
																récepteur à tubes
															Pays d'origine :
																Allemagne
															




