
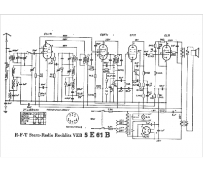
Marque :
RFT Stern-Radio Rochlitz VEB
Modèle :
5E61 B
Type appareil :
récepteur à tubes
Pays d'origine :
Allemagne
