
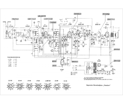
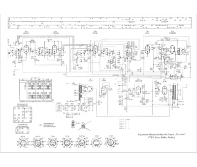
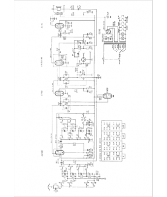
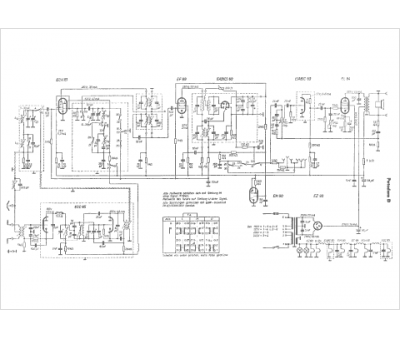
Marque :
RFT Stern-Radio Berlin VEB
Modèle :
Potsdam
Type appareil :
récepteur à tubes
Pays d'origine :
Allemagne
