
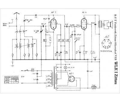
Marque :
RFT Funkwerk Zittau-Olbersdorf VEB
Modèle :
Zittau WLK 1
Type appareil :
récepteur à tubes
Pays d'origine :
Allemagne
