
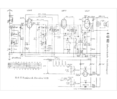
Marque :
RFT Funkwerk Dresden VEB
Modèle :
Std Super 4U 62
Type appareil :
récepteur à tubes
Pays d'origine :
Allemagne
