
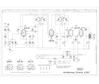
Marque :
RFT Funkwerk Dresden VEB
Modèle :
Orienta A203
Type appareil :
récepteur à tubes
Pays d'origine :
Allemagne
