
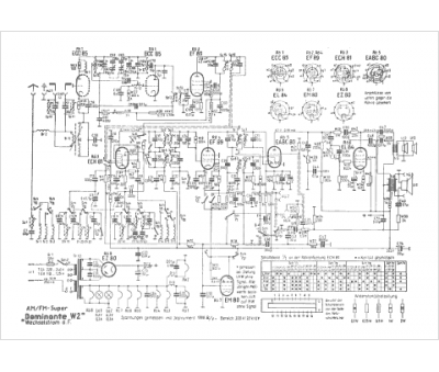
Marque :
RFT Funkwerk Dresden VEB
Modèle :
Dominante W2
Type appareil :
récepteur à tubes
Pays d'origine :
Allemagne
