
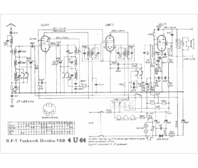
Marque :
RFT Funkwerk Dresden VEB
Modèle :
4U64
Type appareil :
récepteur à tubes
Pays d'origine :
Allemagne
