
Marque :
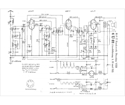
RFT Funkwerk Dresden VEB
Modèle :
4U61 I
Type appareil :
récepteur à tubes
Pays d'origine :
Allemagne
