
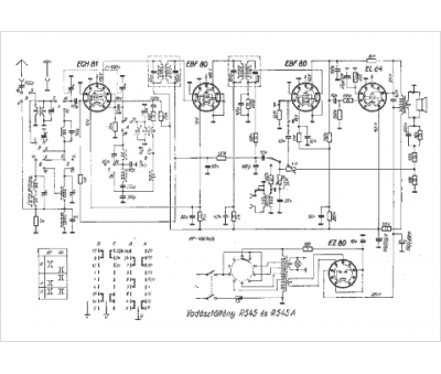
Marque :
RFT Fernmeldewerk Treptow VEB
Modèle :
R 545 A
Type appareil :
récepteur à tubes
Pays d'origine :
Allemagne
