
Marque :
RFT Fernmeldewerk Treptow VEB
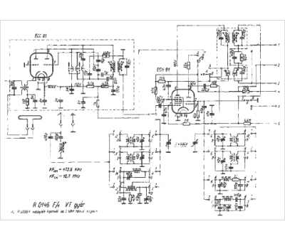
Modèle :
R 0146 F
Type appareil :
récepteur à tubes
Pays d'origine :
Allemagne
