
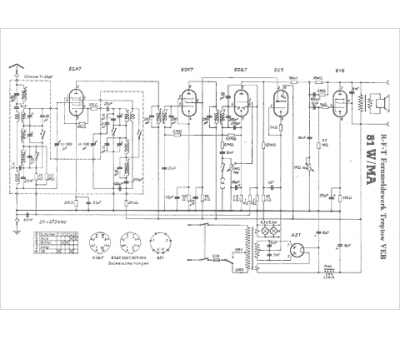
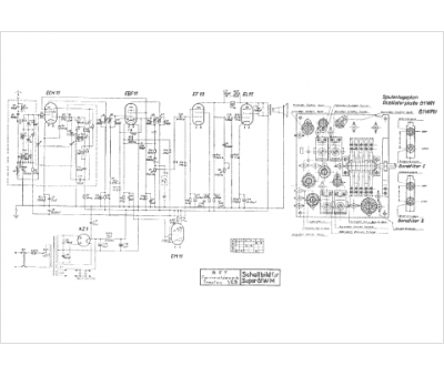
Marque :
RFT Fernmeldewerk Treptow VEB
Modèle :
81 W/MA
Type appareil :
récepteur à tubes
Pays d'origine :
Allemagne
