
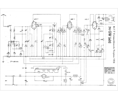
Marque :
RFT Fernmeldewerk Treptow VEB
Modèle :
74 GW (alt)
Type appareil :
récepteur à tubes
Pays d'origine :
Allemagne
