
Marque :
RFT Fernmeldewerk Leipzig VEB
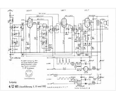
Modèle :
4U62 III
Type appareil :
récepteur à tubes
Pays d'origine :
Allemagne
