
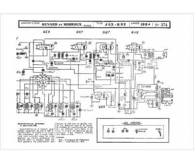
Marque :
Renard et Moiroux
Modèle :
J52
Type appareil :
récepteur à tubes
Année :
1939
