
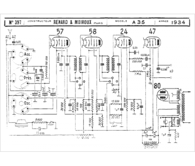
Marque :
Renard et Moiroux
Modèle :
A35
Type appareil :
récepteur à tubes
Année :
1934
