
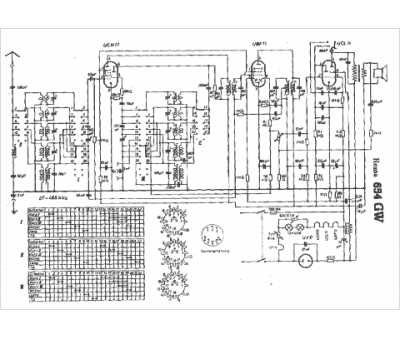
Marque :
Rema
Modèle :
654 GW
Type appareil :
récepteur à tubes
Pays d'origine :
Allemagne
