
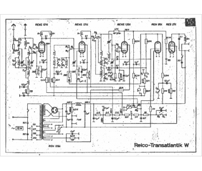
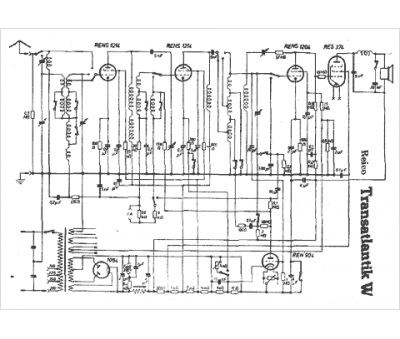
Marque :
Reico
Modèle :
Transatlantik W
Type appareil :
récepteur à tubes
Pays d'origine :
Allemagne
