
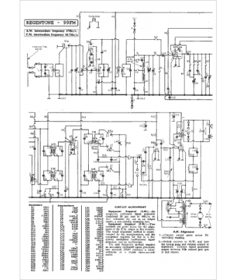
Marque :
Regentone
Modèle :
99 FM
Type appareil :
récepteur à tubes
Pays d'origine :
Grande-Bretagne
