
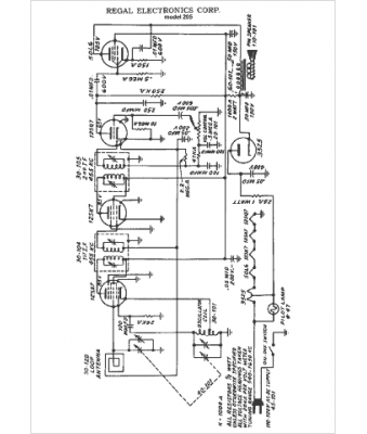
Marque :
Regal Electronics
Modèle :
205
Type appareil :
récepteur à tubes
Année :
1949
Pays d'origine :
États-Unis
