
Marque :
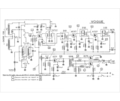
Reela
Modèle :
Vogue
Type appareil :
récepteur à transistors
Pays d'origine :
France
