
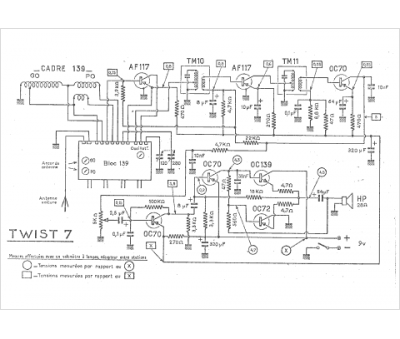
Marque :
Reela
Modèle :
Twist 7
Type appareil :
récepteur à transistors
Pays d'origine :
France
