
Marque :
Reela
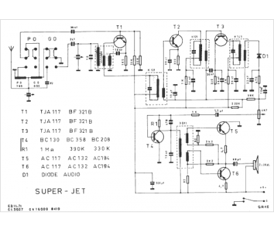
Modèle :
Super Jet SAR 18
Type appareil :
récepteur à tubes
Pays d'origine :
France
