
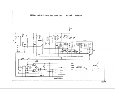
Marque :
Reela
Modèle :
Mini Djinn Si 12 V Ferrox SAR 7
Type appareil :
récepteur à tubes
Pays d'origine :
France
