
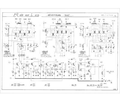
Marque :
Reela
Modèle :
Duc SR 9
Type appareil :
récepteur à tubes
Pays d'origine :
France
