
Marque :
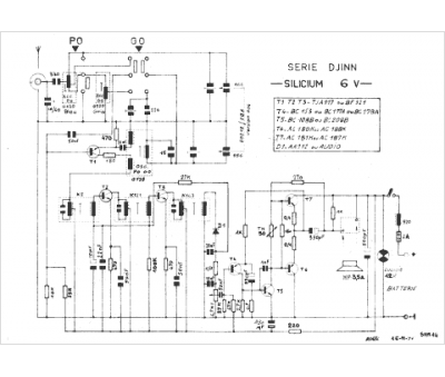
Reela
Modèle :
Djinn Si 6 V
Type appareil :
récepteur à tubes
Pays d'origine :
France
