
Marque :
Reela
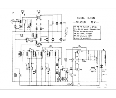
Modèle :
Djinn Si 12 V SAR 13
Type appareil :
récepteur à tubes
Pays d'origine :
France
