
Marque :
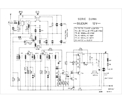
Reela
Modèle :
Djinn 12V Si
Type appareil :
auto-radio à transistors
Pays d'origine :
France
