
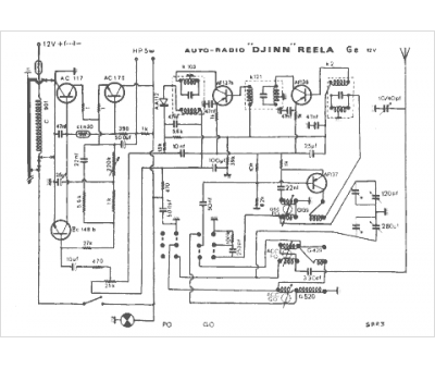
Marque :
Reela
Modèle :
Djinn 12V Ge
Type appareil :
auto-radio à transistors
Pays d'origine :
France
